8-kanałowe zabezpieczenie IP serii EXTREME z ochroną PoE EWIMAR PTF-58R-EXT/PoE
X
Załączniki bezpieczeństwa
Załczniki do produktu
Załączniki dotyczące bezpieczeństwa produktu zawierają informacje o opakowaniu produktu i mogą dostarczać kluczowych informacji dotyczących bezpieczeństwa konkretnego produktu
Informacje o producencie
Osoba odpowiedzialna w UE
Osoba odpowiedzialna w UE
Podmiot gospodarczy z siedzibą w UE zapewniający zgodność produktu z wymaganymi przepisami.
Model 16355
Kod producenta PTF-58R-EXT/PoE
Waga produktu 0.3000 kg
Realizacja zamówienia: 2 dni
średnia: 0.0 z 0 ocen:
5520699
Cena brutto:
976, 37 PLN
Cena netto: 793,80 PLN
PLN*
dostepność:
Produkt dostępny!
8-kanałowe zabezpieczenie IP serii EXTREME z ochroną PoE EWIMAR PTF-58R-EXT/PoE
Model: PTF-58R-EXT/PoE
Specyfikacja techniczna
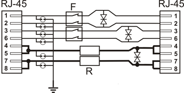
Ilość kanałów: 8S Stopnie ochrony: 3 (ochronnik gazowy, bezpiecznik MOSFET, mostek ochronny)Pojemność linia-linia: 6-8pF @ 0V, 1MhzPojemność linia-ziemia: < 1pFPoziom ochrony linia-linia: 6V-1kV, 20V @ 100A , 8/20uSPoziom ochrony linia-ziemia: 90V-4kV, 2~4kA, 8/20uSMaksmalne napięcie Uc: 6,8VMaksymalna moc 8/20uS (linia-linia): 2kWMaksymalne napięcie linia-ziemia : 90VDCRezystancja szeregowa : 6 OhmSzybkość odsprzęgania : 1uSPoziom izolacji przy zadziałaniu : 650VIlość kanałów: 8Stopnie ochrony : 2 (ochronnik gazowy, transil)Poziom ochrony linia-linia dla PoE 10/1000uS : 600W / 100A, 10/1000uSMaksmalne napięcie Uc dla PoE : 58VPoziom ochrony linia-ziemia : 90V-4kV, 2~4kA, 8/20uSMaksymalne napięcie linia-ziemia: 90VDCStandard pracy PoE : zgodny z IEEE 802.3af typu BZłącze wejściowe: RJ-45Złącze wyjściowe : RJ-45Wyjście uziemiające : TakMocowanie: Szafa Rack 19" 1U, ścianaDodatkowe opcje: Wymienne moduły różnych typów, pokrywa ochronnaWymiary: 480 x 41 x 130 (mm)Temperatura pracy: -30~+60°C